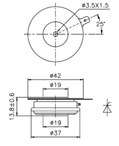
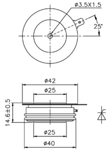
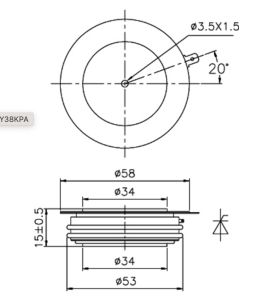
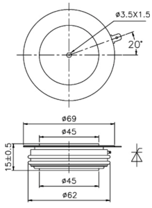
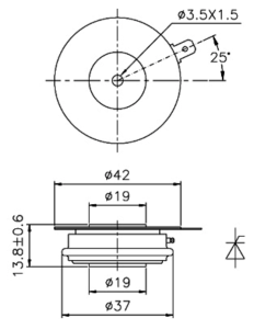
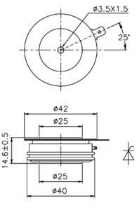
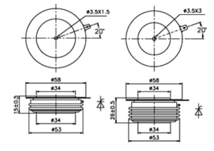
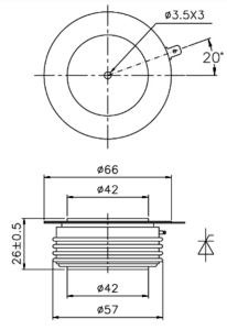
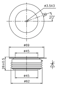
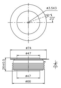
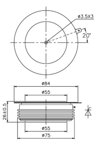
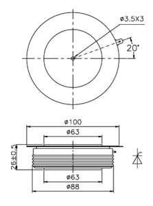
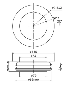
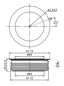
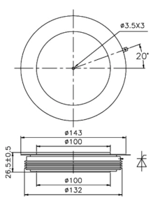
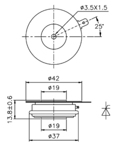
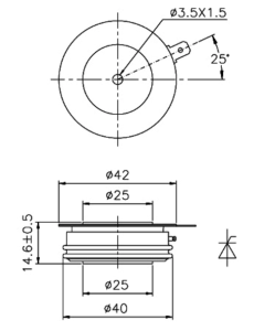
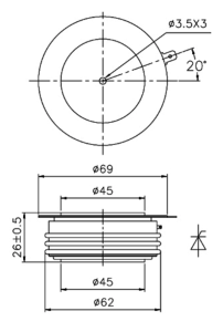
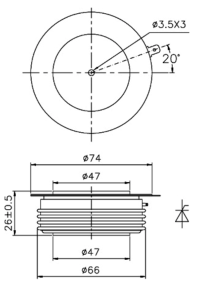
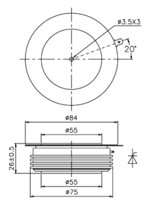
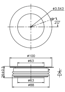
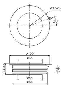
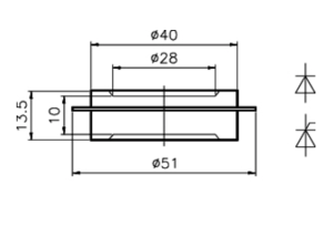
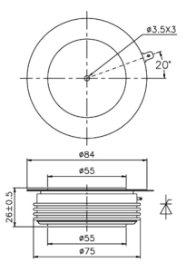
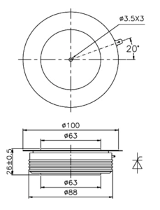
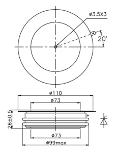
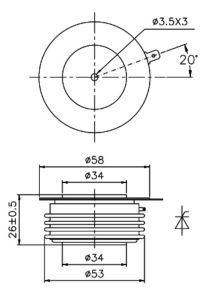
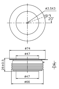
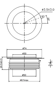
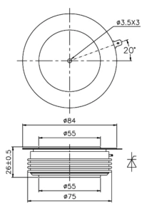
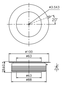
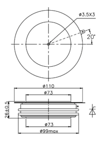
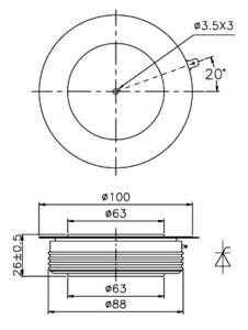
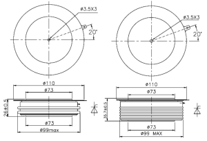
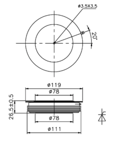
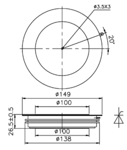
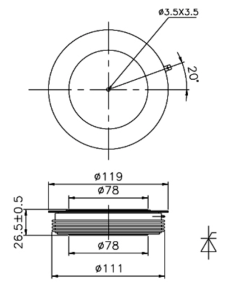
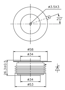
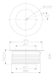
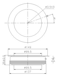
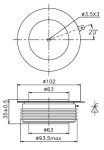
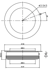
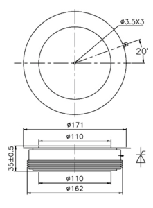
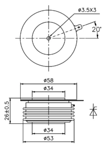
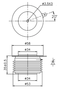
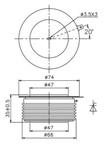
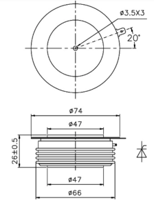
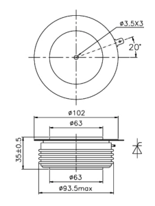
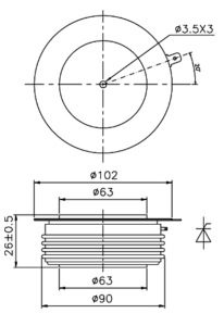
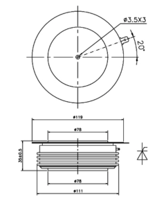
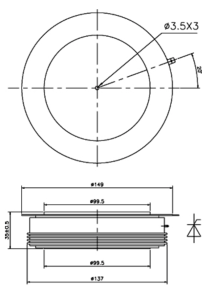
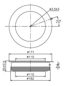
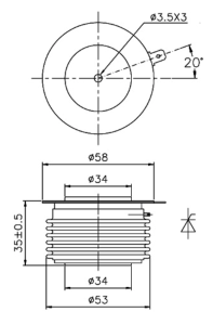
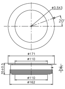
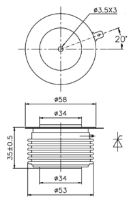
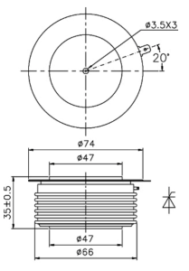
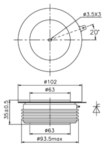
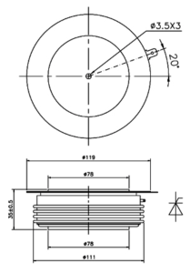
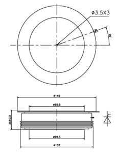
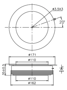
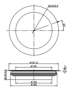
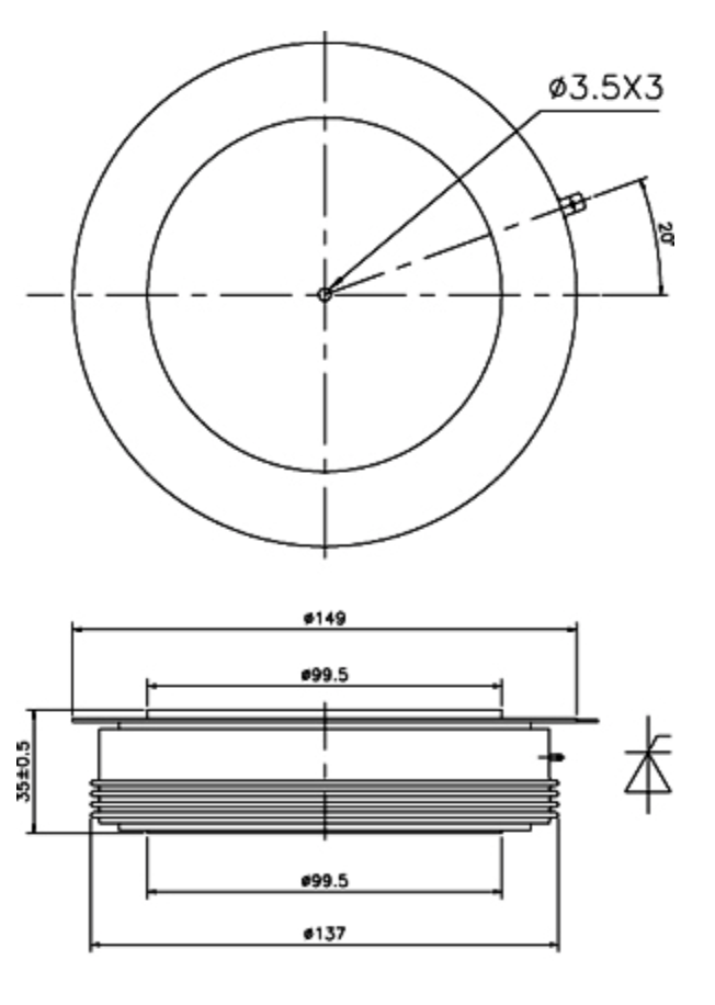
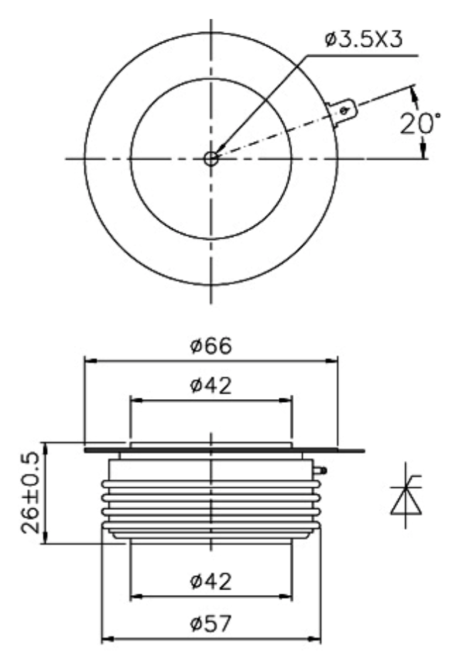
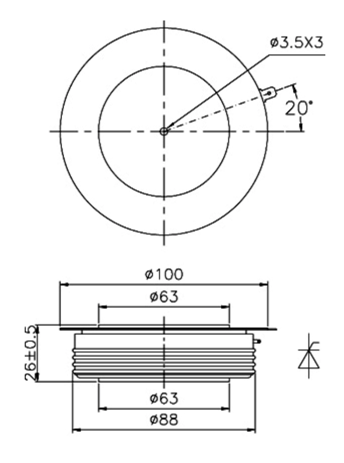
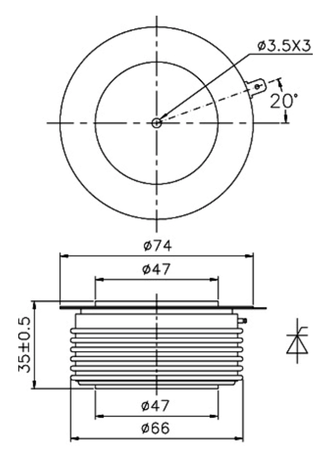
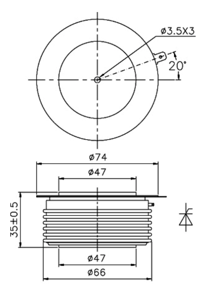
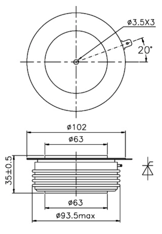
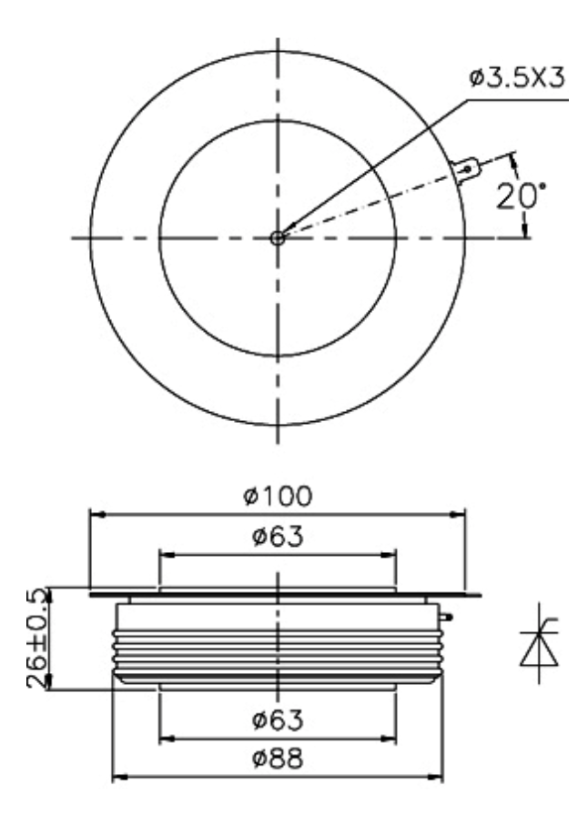
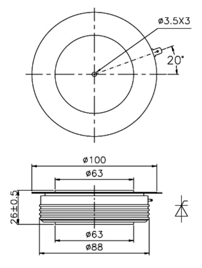
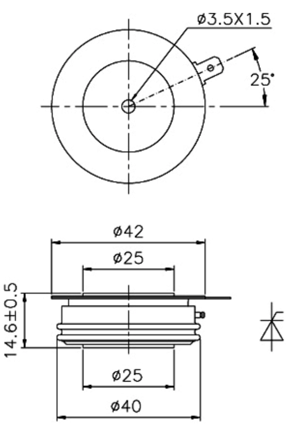
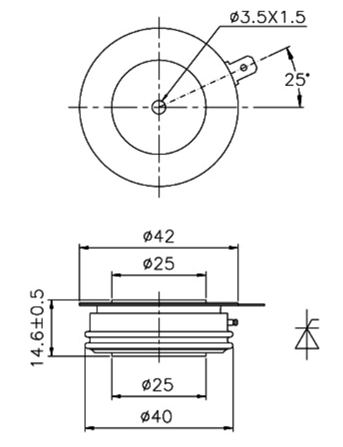
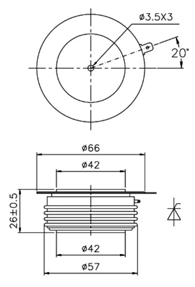
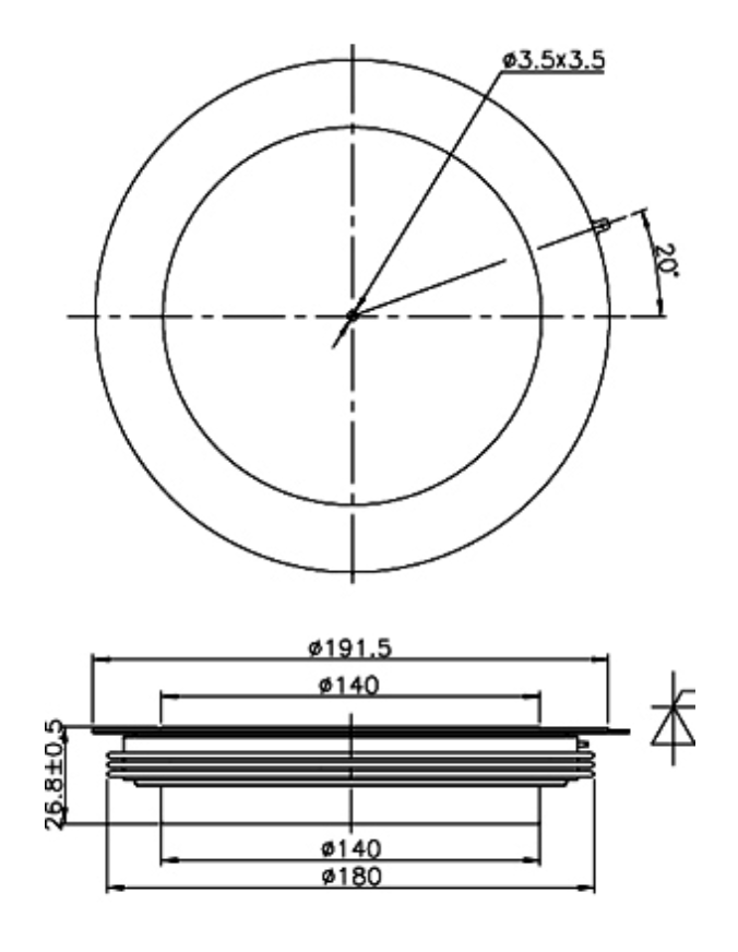
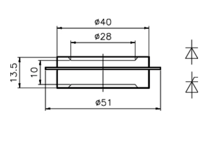
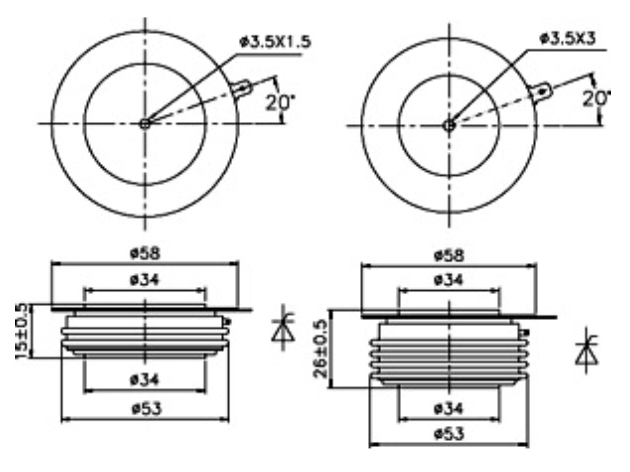
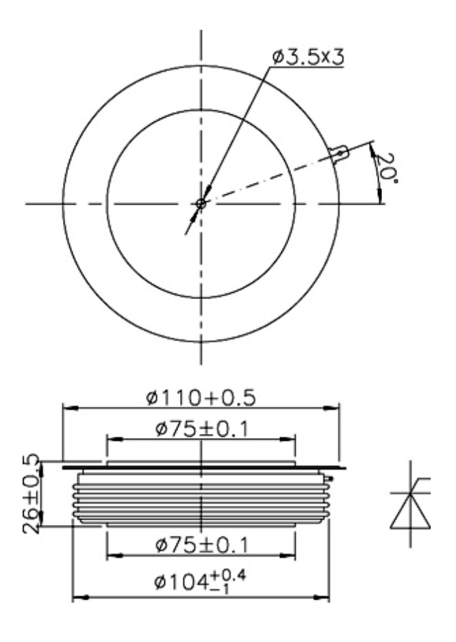
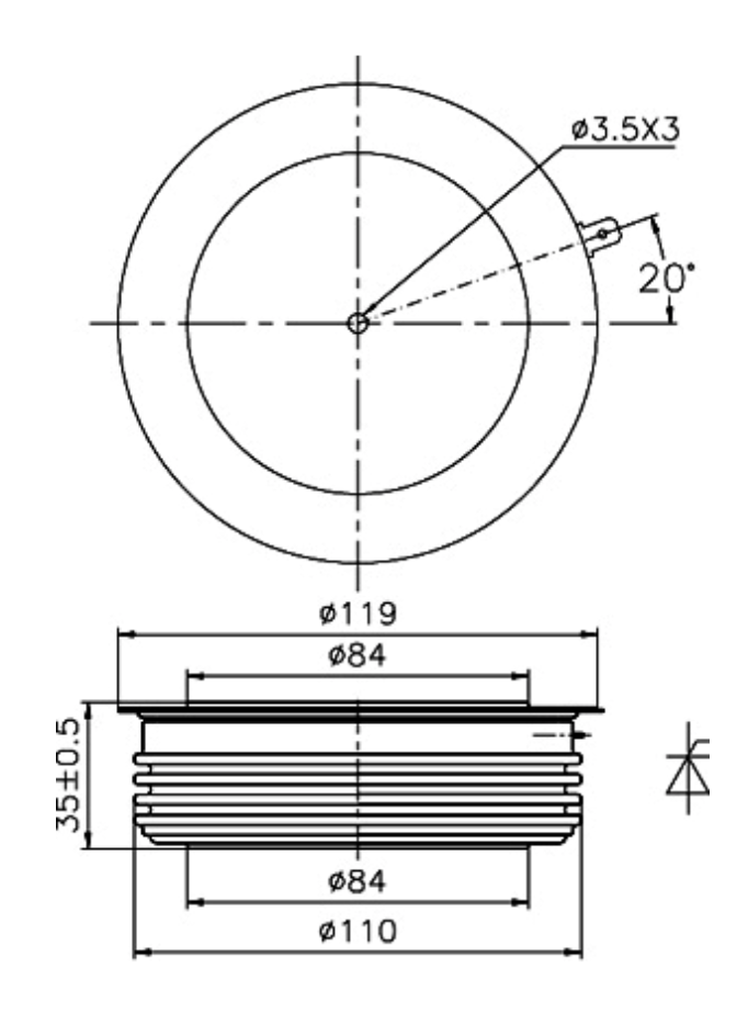
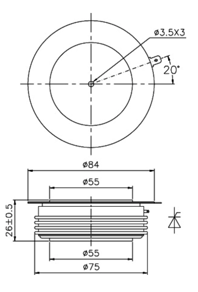
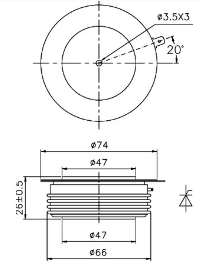
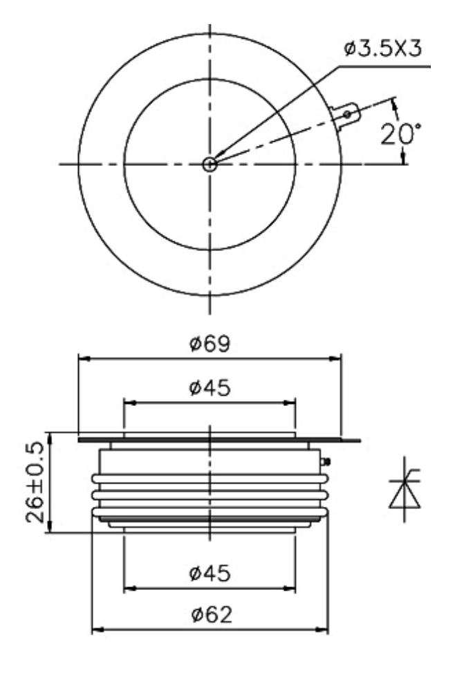
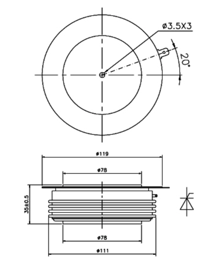
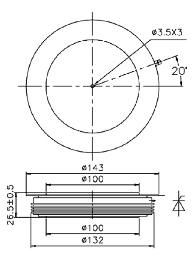
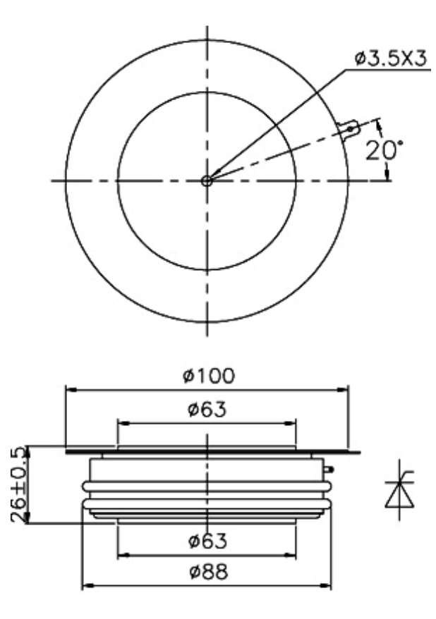
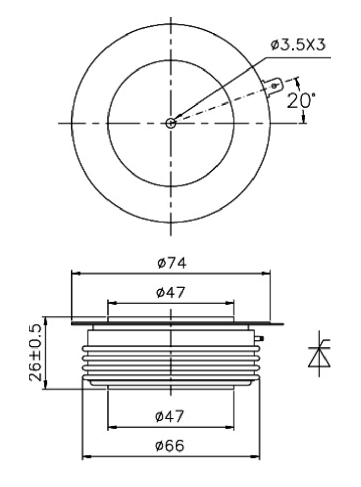
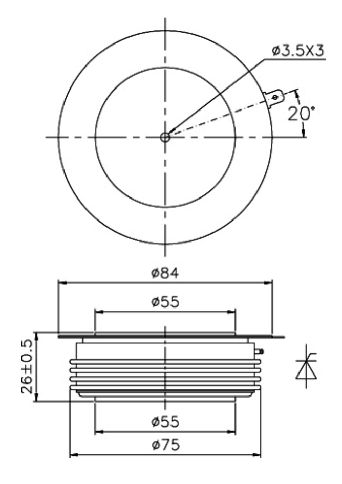
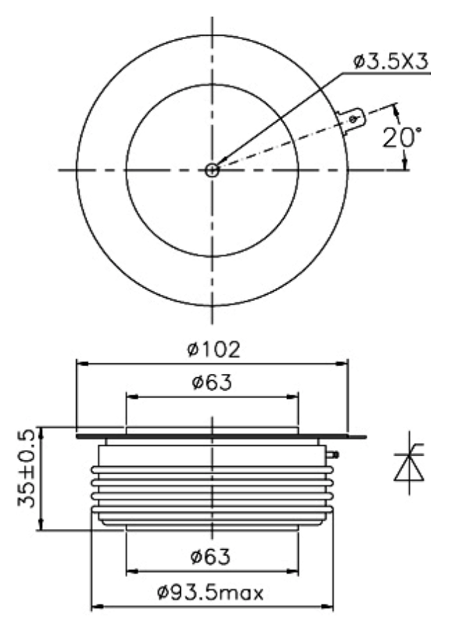
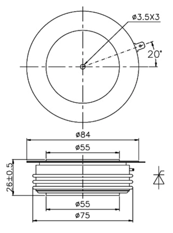
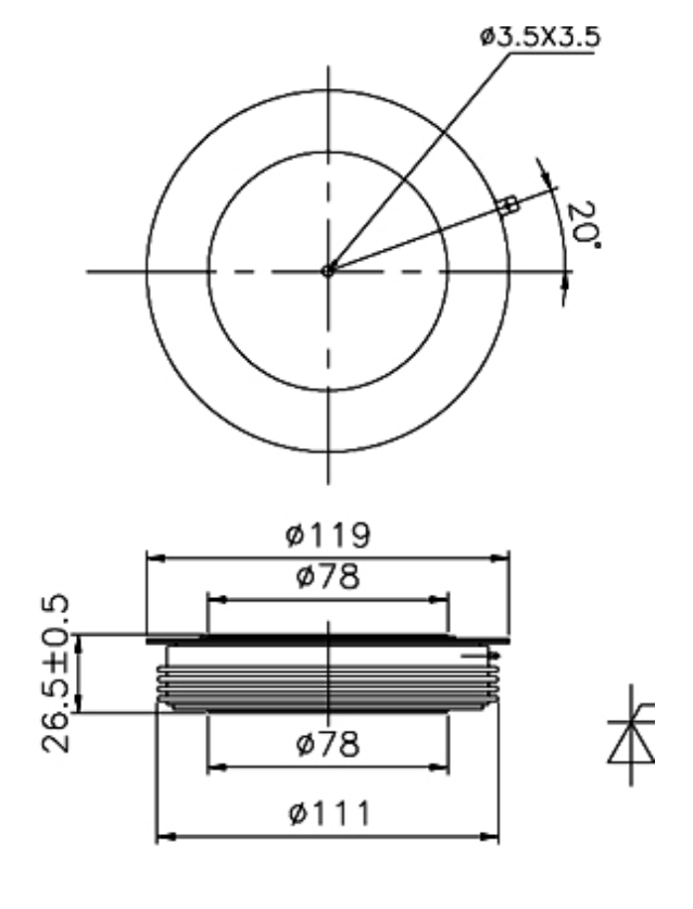
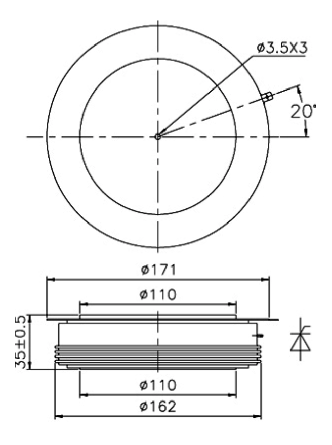
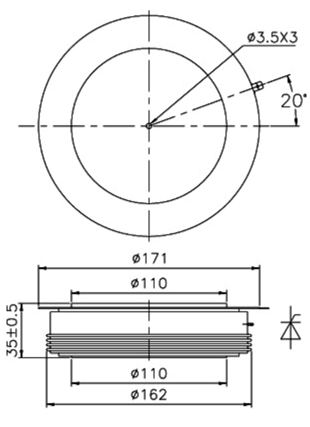
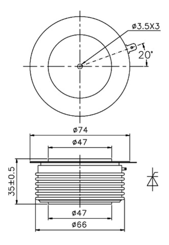
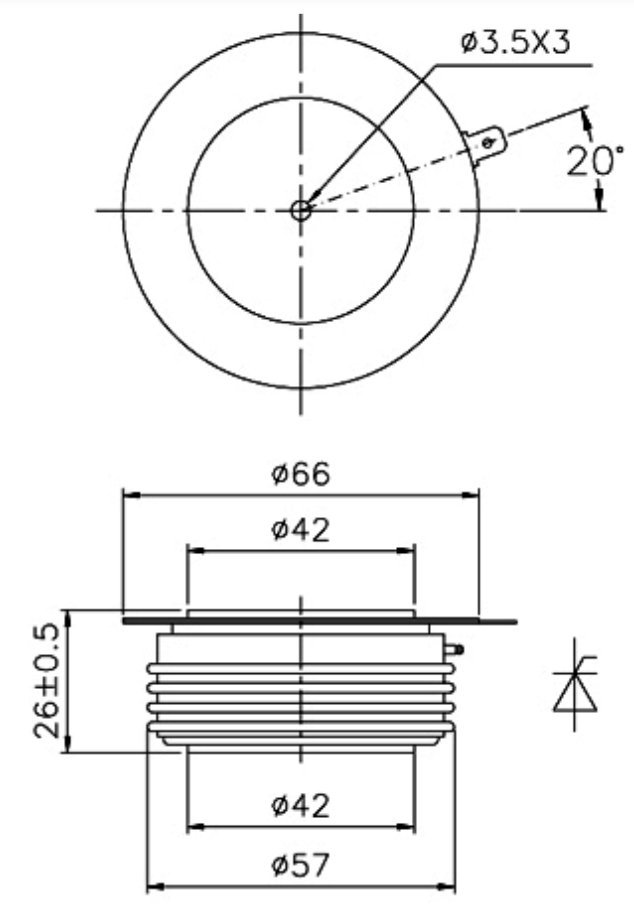
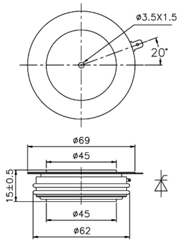
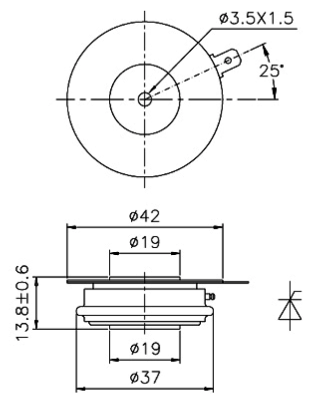
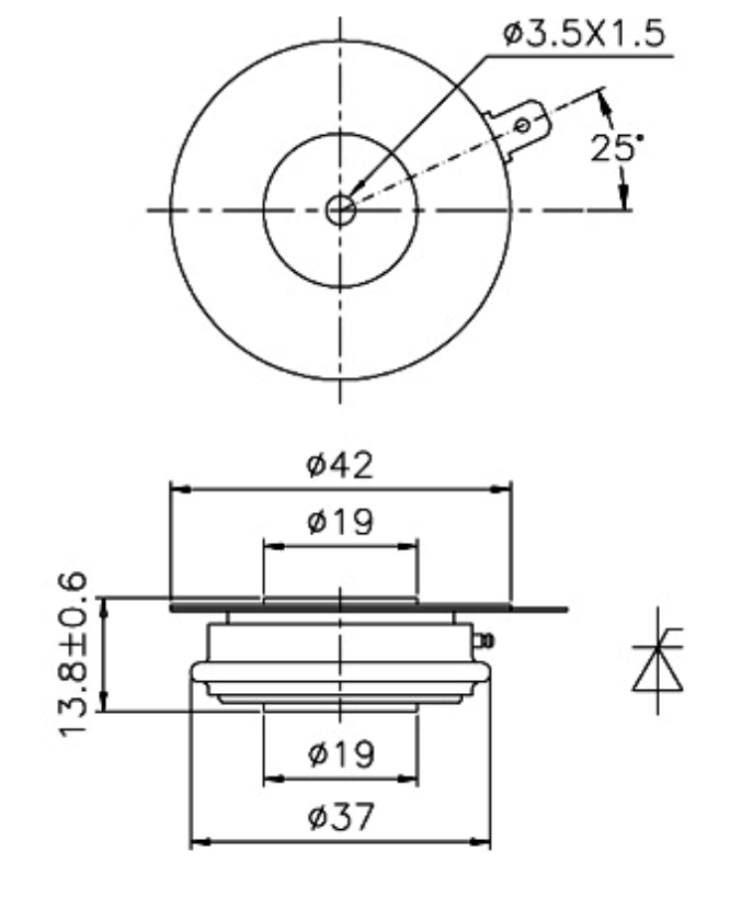
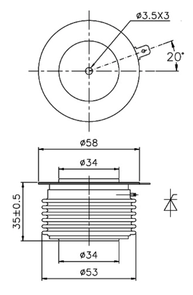
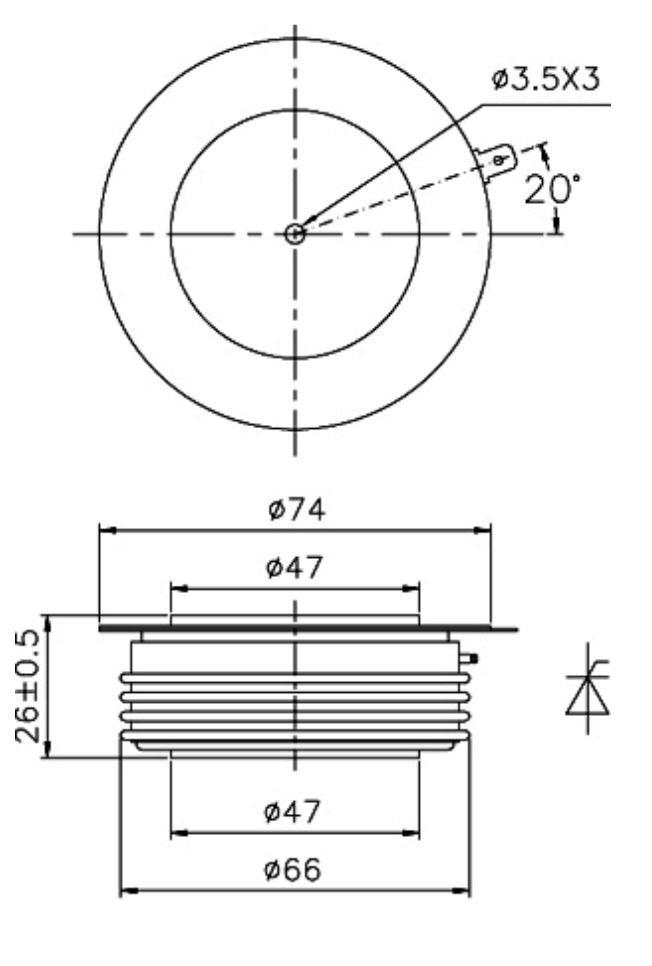
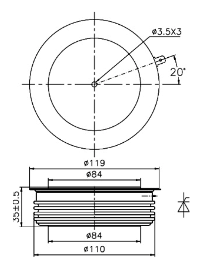
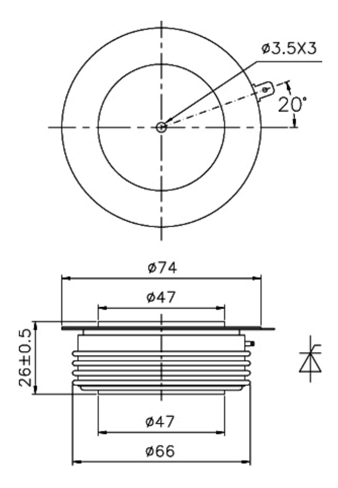
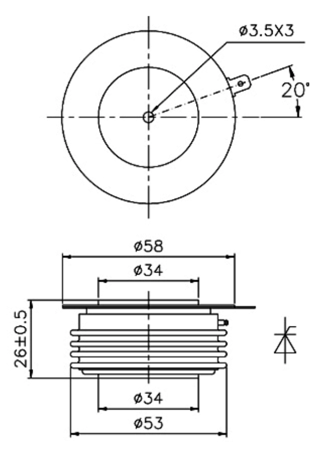
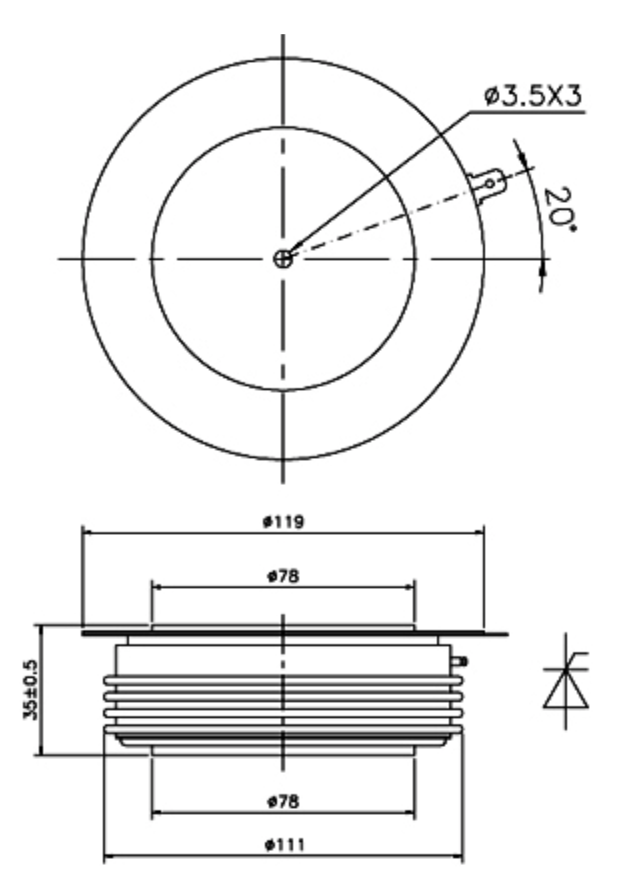
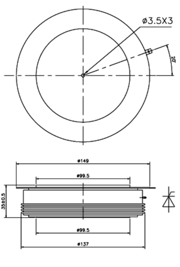
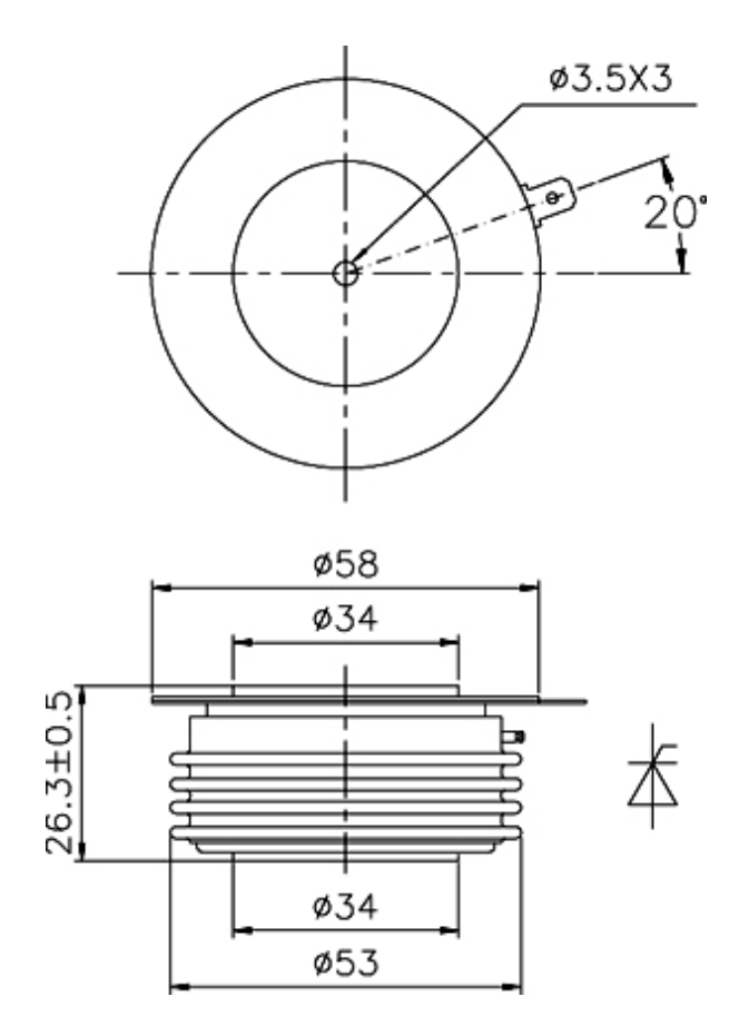
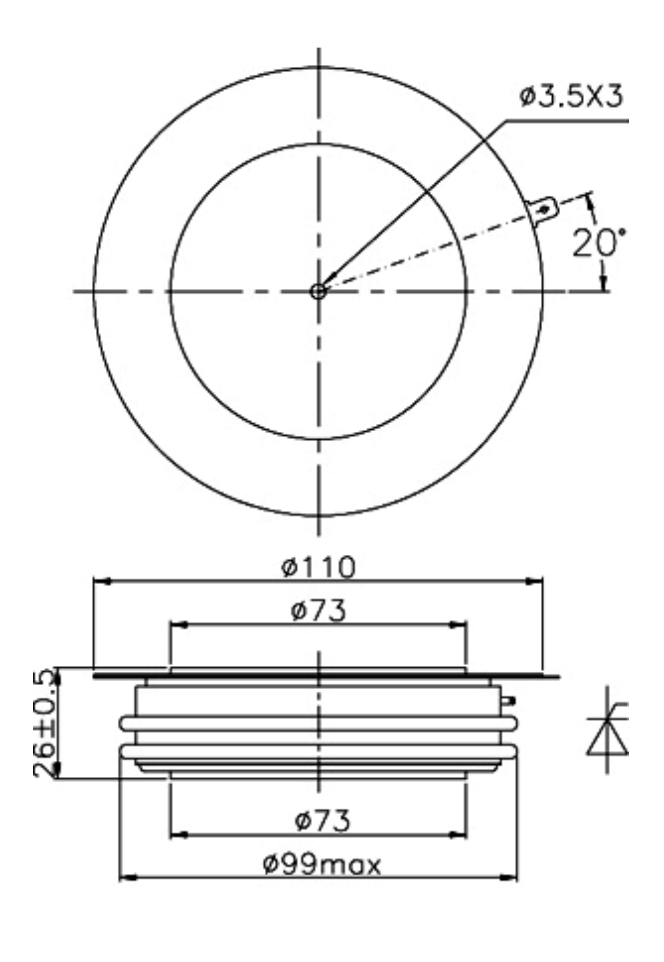
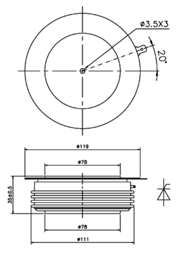
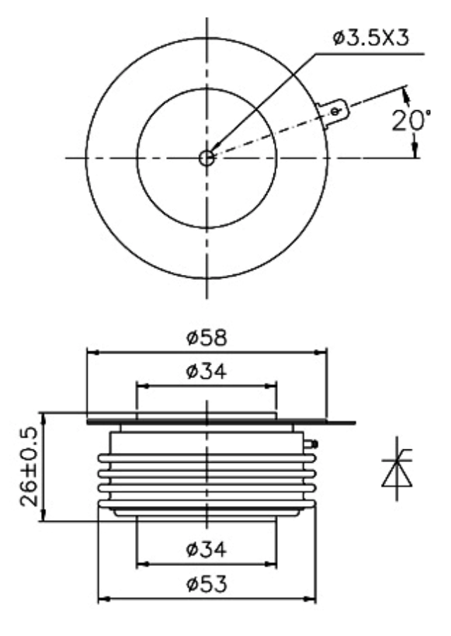
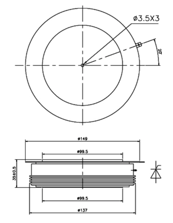
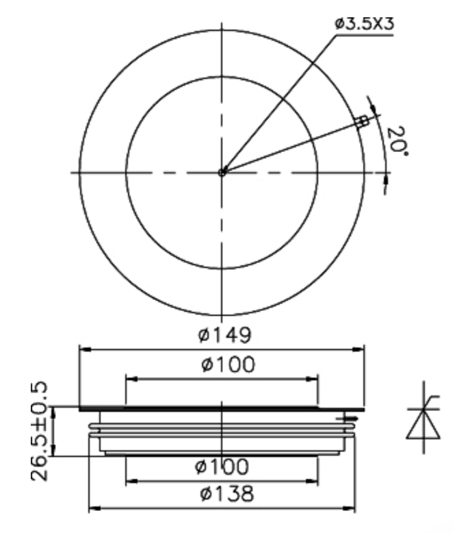
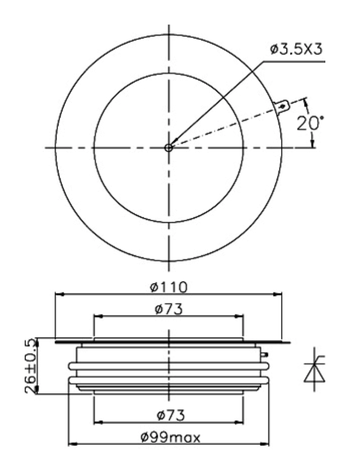
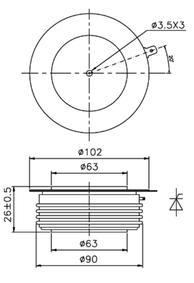
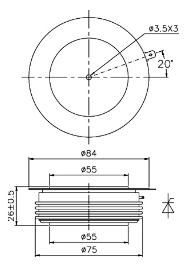
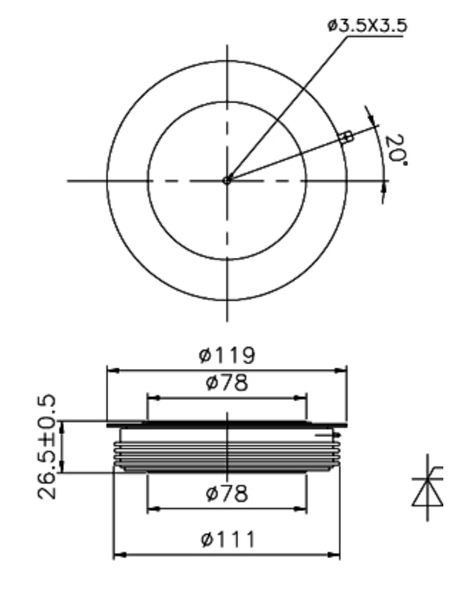
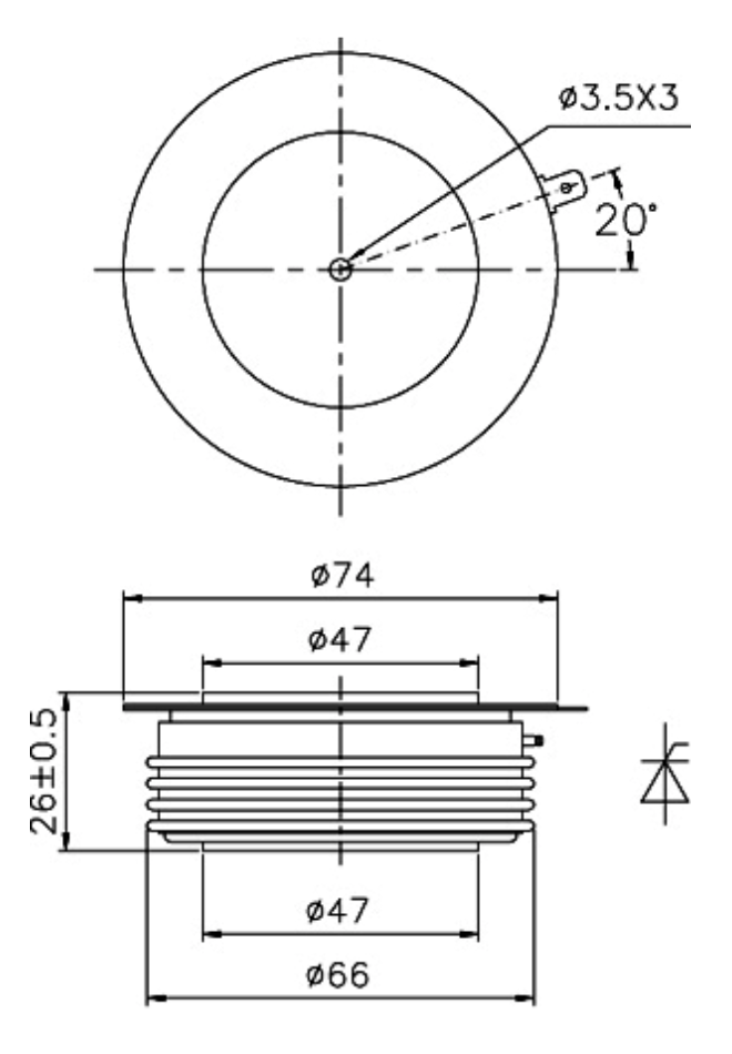
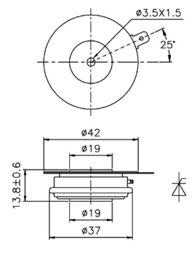
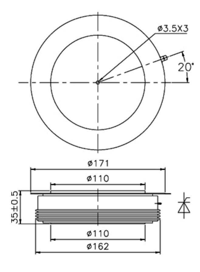
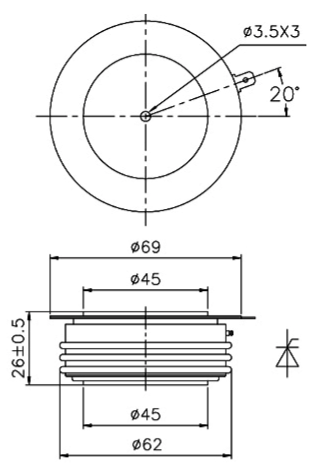
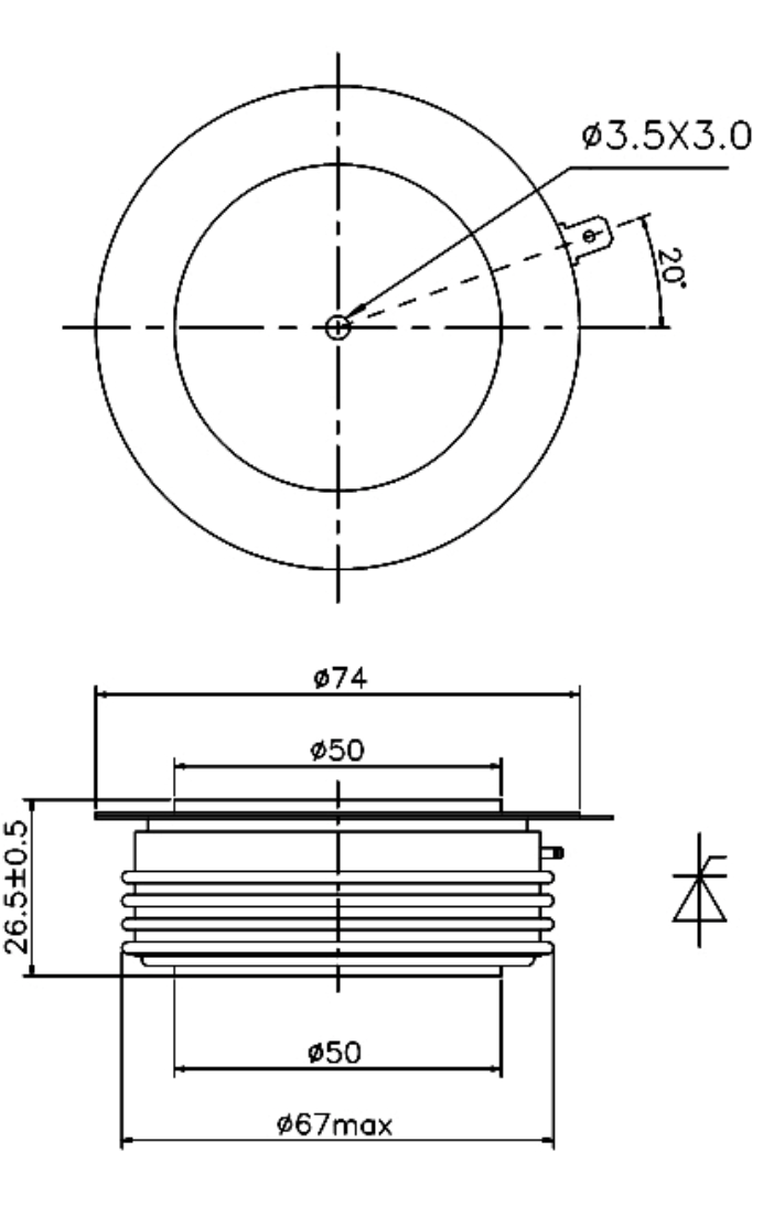
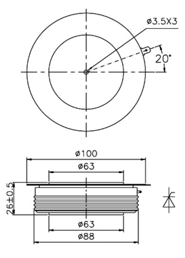
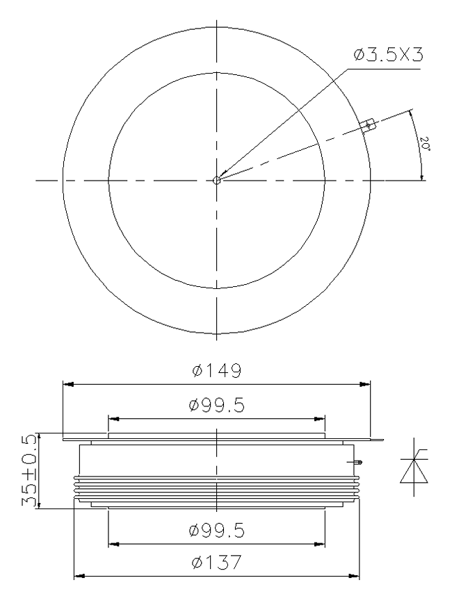
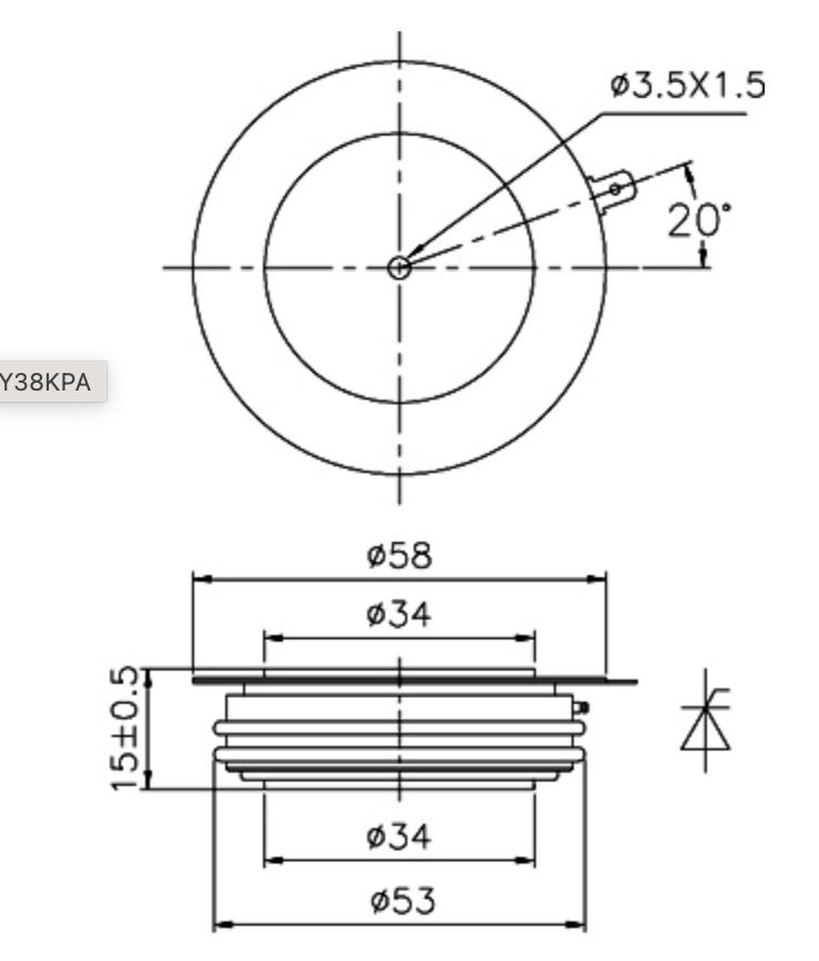
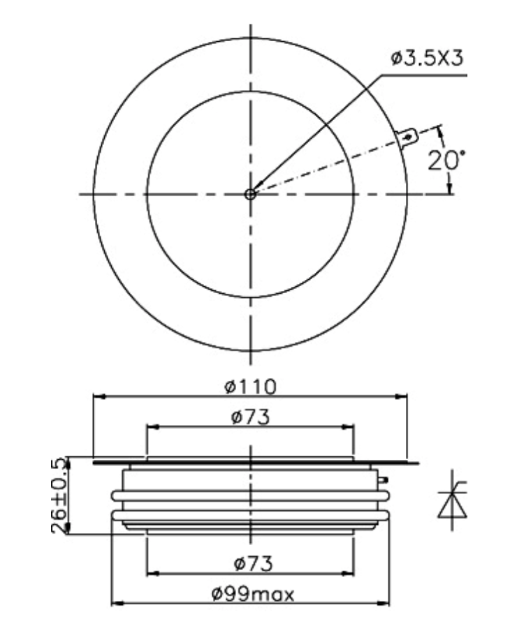
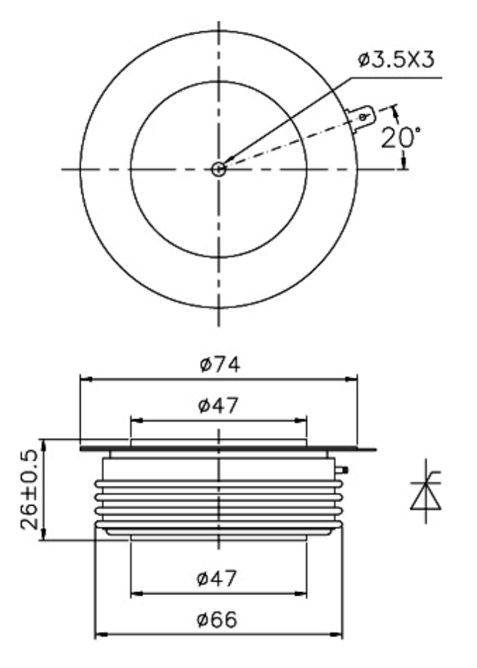
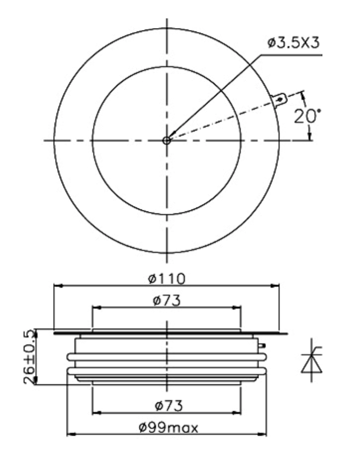
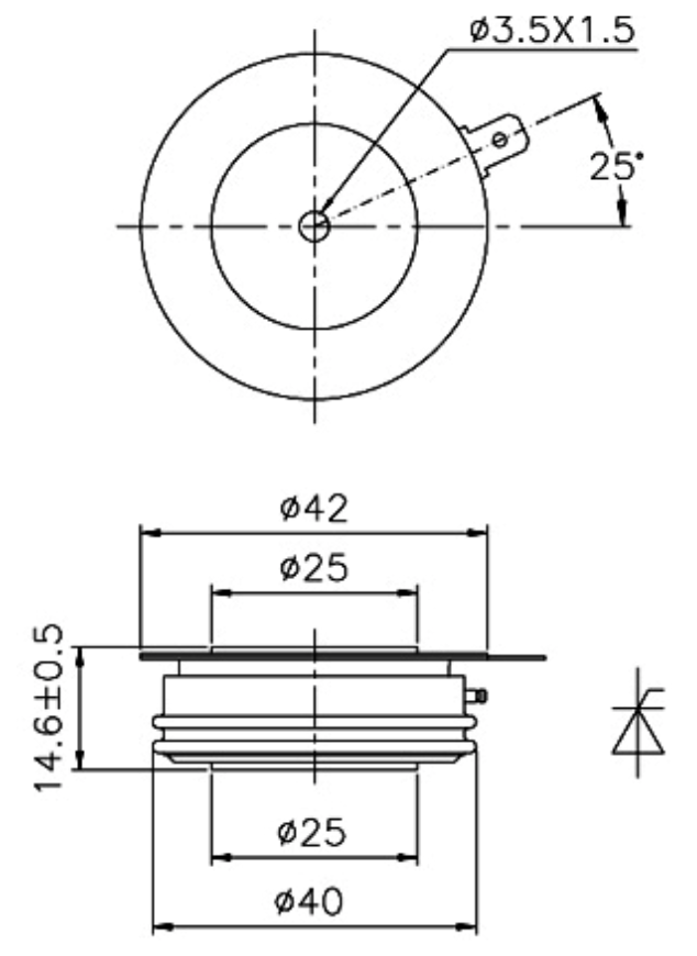
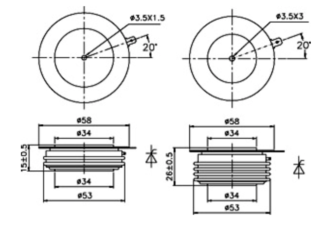
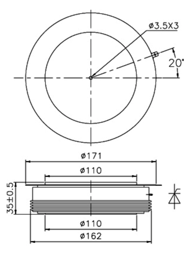
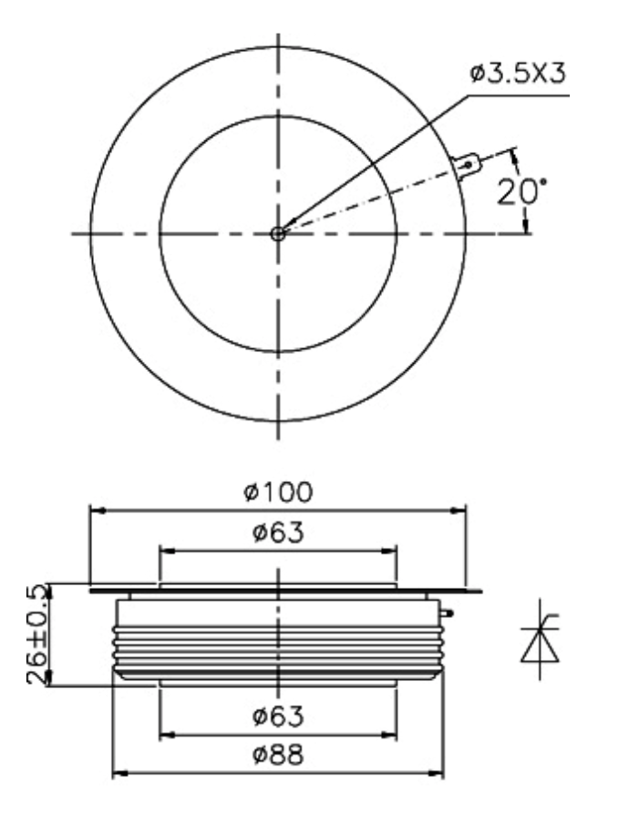
Capsule Type Devices
The chips are processed with Complete Diffusion Technology and have internal amplifying gate structure. The devices are suitable for single- or double-sided cooling. At the case temperature of 55°C, the forward current rating ITAV ranges from 400A to 5200A, and the range of reverse blocking voltage is 400V to 8500V. The typical applications for phase-control thyristors are soft starter, phase-controlled rectification, high-power inversion, AC and DC motor control, AC/DC switching, among others.
- model
- VDRM/VRRM (V)
- IT(AV) (A)
- ITSM (kA)
- Product appearance
-
Y24KPA200-6005508KT19aT
-
Y30KPA200-60086012KT25aT
-
Y38KPA200-600130018KT33aT
-
Y50KPA200-600215032KT44aT
-
Y24KPC400-10004505KT19aT
-
Y30KPC400-10008509KT25aT
-
Y38KPC400-100096013KT33aT/KT33cT
-
Y40KPC400-1000115015KT39cT
-
Y45KPC400-1000134020KT44cT
-
Y50KPC400-1000190030KT50cT
-
Y60KPC400-1000216033KT54cT
-
Y70KPC400-1000317038KT60cT
-
Y76KPC400-1000370060KT73cT
-
Y89KPC400-1000490066KT84dT
-
Y100KPC400-1200640074KT100cT
-
Y24KPE1100-18003604.65KT19aT
-
Y30KPE1100-18006007.5KT25aT
-
Y35KPE1100-18007309KT33cT
-
Y38KPE1100-180089011KT33aT/KT33cT
-
Y40KPE1100-1800107012KT39cT
-
Y45KPE1100-1800125013KT44cT
-
Y50KPE1100-1800154024KT50cT
-
Y60KPE1100-1800200030KT54cT
-
Y65KPE1100-1800246035KT60cT
-
Y70KPE1100-1800267038KT60cT
-
Y76KPE1100-1800344051KT73cT
-
Y80KPE1100-1800394058KT75cT
-
Y89KPE1100-1800400064KT84dT
-
Y30KPEA1100-18005302.5KA28
-
Y35KPEA1100-18007105KA32
-
Y40KPEA1100-180010106.4KA37
-
Y40KPH1900-300075010KT39cT
-
Y50KPH1900-3000124020KT50cT
-
Y55KPH1900-3000153018KT54cT
-
Y60KPH1900-3000180023.6KT54cT
-
Y70KPH1900-3000207028KT60cT
-
Y76KPH1900-3000253032KT73cT
-
Y38KPJ3100-42005907KT33cT
-
Y50KPJ3100-4200105013KT50cT
-
Y55KPJ3200-350090020K50cTD
-
Y60KPJ3100-4200110014.7KT54cT
-
Y70KPJ3100-4200175018KT60cT
-
Y76KPJ3100-4200211027KT73cT
-
Y70KPM4300-5200163017.5KT60cT
-
Y76KPM4300-5200188024KT73cT/KT73dT
-
H89KPE1600-2200400064.5KT78cT
-
H100KPE1600-2200600080KT100cT
-
H89KPH2200-3000400060KT78cT
-
H100KPH2200-3000529080KT100cT
-
H38KPJ3600-45005206KT33cT
-
H50KPJ3600-4500105015KT50dT
-
H89KPJ3600-4200350052KT78cT
-
H100KPJ3600-4500389060KT100dT
-
H38KPN4600-55004004.5KT33dT
-
H38KPN4600-55004404.5KT33cT
-
H50KPN4600-550092012KT50cT
-
H50KPN4600-550085012KT50dT
-
H76KPN4600-5500192022KT60cT
-
H76KPN4600-5500180022KT60dT
-
H89KPN4600-5500230032KT78dT
-
H100KPN4600-5500350045KT100dT
-
H125KPN4600-5500501072KT110dT
-
H38KPR5600-65004204.5KT33cT
-
H38KPR5600-65003504.5KT33dT
-
H50KPR5600-650072011.8KT50dT
-
H50KPR5600-650083011.8KT50cT
-
H76KPR5600-6500137022KT60dT
-
H76KPR5600-6500150022KT60cT
-
H89KPR5600-6500180032KT78dT
-
H100KPR5600-6500280045KT100dT
-
H125KPR5600-6500420071KT110dT
-
H38KPS6600-72003204KT33dT
-
H50KPS6600-720073010.5KT50cT
-
H50KPS6600-720065010.5KT50dT
-
H100KPS6600-8000250040KT100dT
-
H125KPS6600-7500300055KT110dT
-
H38KPU7300-85003004KT33dT
-
H50KPU7300-85006009.8KT50dT
-
H76KPU7300-8500100010.5KT60dT
-
H89KPU7300-8500150017KT78dT
-
H100KPU7300-8500200035KT100dT
-
H125KPU7300-8500280040KT110dT
-
H150KPU7300-85004200100KT140cT
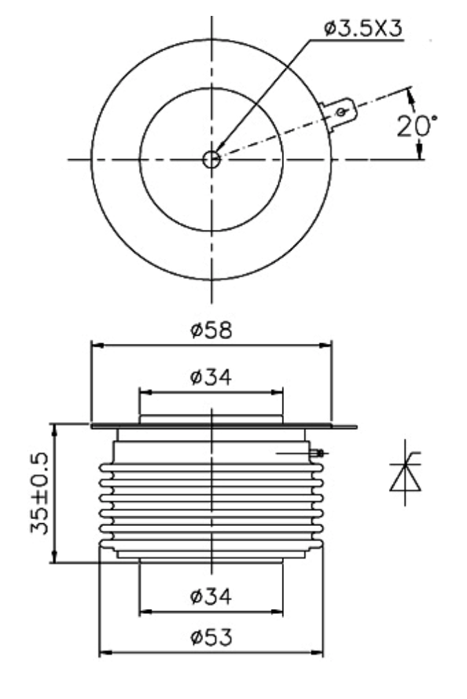
The chips are processed with Complete Diffusion Technology and have internal amplifying gate structure. The thyristors can operate under conditions of fast turn-on and high rate of rise of on-state current (di/dt), and they possess excellent electrical dynamic characteristics such as low switching loss and fast turn-off time. The devices are suitable for single- or double-sided cooling. At case temperature of 55°C, the forward current rating IFAV ranges from 400A to 4800A, and the range of reverse blocking voltage VRRM is 1200V to 2800V. The typical applications for fast turn-off thyristors include inductive heating, electric welding, inverters and AC motor speed control.
Produkte werden geladen...
High-frequency thyristors are primarily used in power electronics applications requiring fast switching and high-frequency control. Their core applications are High-Frequency Inversion and Frequency Conversion, e.g. in solar photovoltaic inverters and wind turbine converters. High-frequency thyristors are used to convert direct current (DC) into high-frequency alternating current (AC), improving energy conversion efficiency. In induction heating power supplies, high-frequency thyristors serve as core switching elements in induction heating equipment, generating an alternating magnetic field through high-frequency switching. This can be used for metal smelting or surface heat treatment.
Produkte werden geladen...
A bi-directional controlled thyristor is widely used in AC circuit control. Its core applications can be summarized as follows:
1. AC voltage regulation and power control;
2. Industrial heating equipment (such as furnace temperature control);
3. AC voltage regulation in electrolytic and electroplating applications;
4. In motor speed regulation, it achieves soft starting and speed regulation of induction motors by controlling the AC voltage.
Produkte werden geladen...
TECHSEM capsule rectifier diodes offer the following advantages:
- Low Conduction Loss: The flat-plate structure reduces contact resistance, minimising power loss at high currents.
- Mechanical Stability: The metal housing resists vibration and is suitable for industrial machinery environments.
TECHSEM rectifier diodes are used in bridge rectifier circuits for industrial power systems (such as electroplating and high-voltage DC transmission), that convert AC power into high-current DC power. As a core component of rectifier bridges in inverters and UPSs, TECHSEM rectifier diodes support efficient energy conversion at high-frequency switching. In high-voltage rectifications (such as in X-ray machines and laser power supplies), the flat-plate structure of TECHSEM Rectifier diodes optimise voltage distribution and support reverse voltages of several thousand volts.
Produkte werden geladen...
TECHSEM fast recovery diodes (FRDs) are used in following high-frequency, high-power power electronic systems:
- Rectification and freewheeling of high-frequency switching power supplies;
- Inverter and frequency converter applications such as solar inverters;
- Motor control and protection. In PWM controlled motor drive circuits, FRD acts as a freewheeling diode to protect switching elements from back electromotive force shocks while supporting fast start/stop and forward/reverse control.;
- Resonant Circuit and High-Frequency Rectification.
Produkte werden geladen...
TECHSEM diodes for welding machine are special design optimised for welding application. The diodes have the current capability up to 18000A. They ensure stable rectification and reliable current control, even under high load conditions. With robust construction, high surge capability, and long service life, these modules deliver consistent performance in industrial welding machines and related equipment, making them a dependable choice for heavy-duty applications.
Produkte werden geladen...






































































































































































