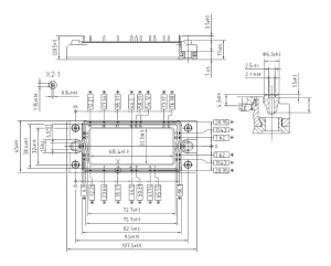
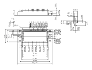
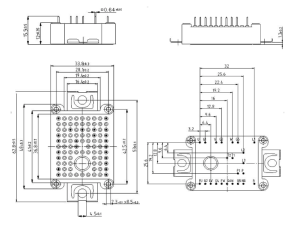
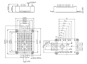
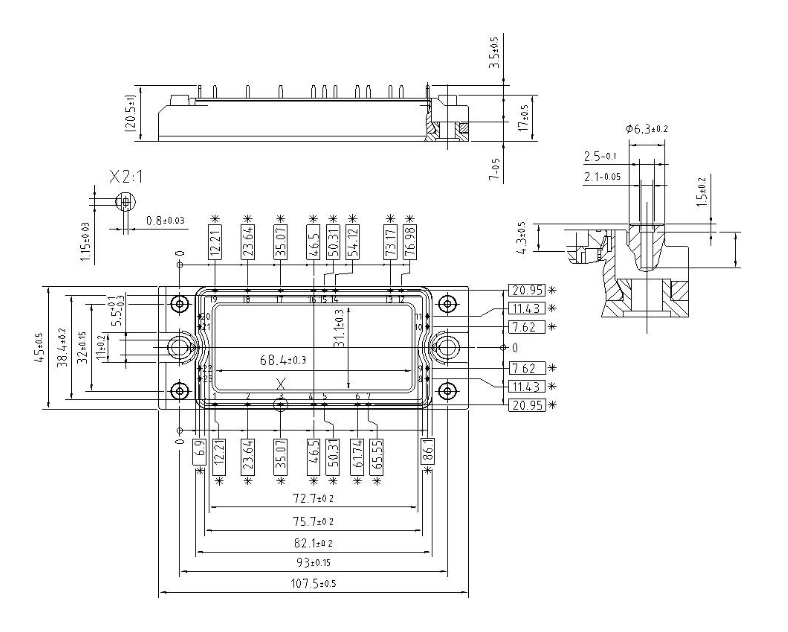
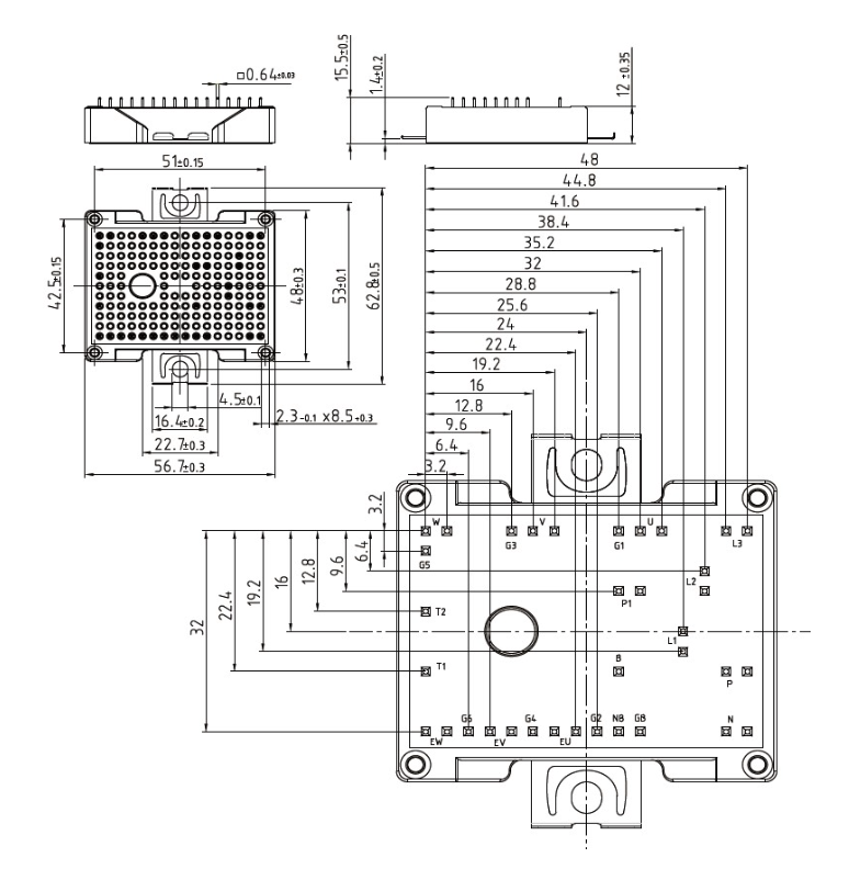
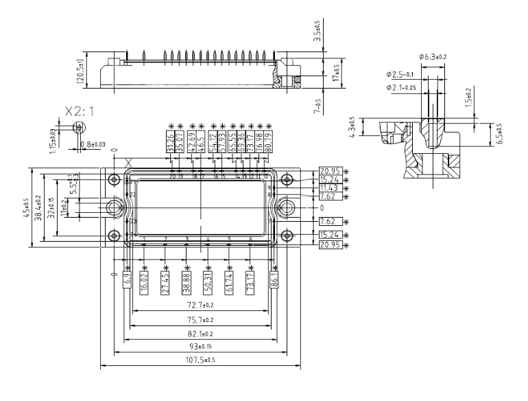
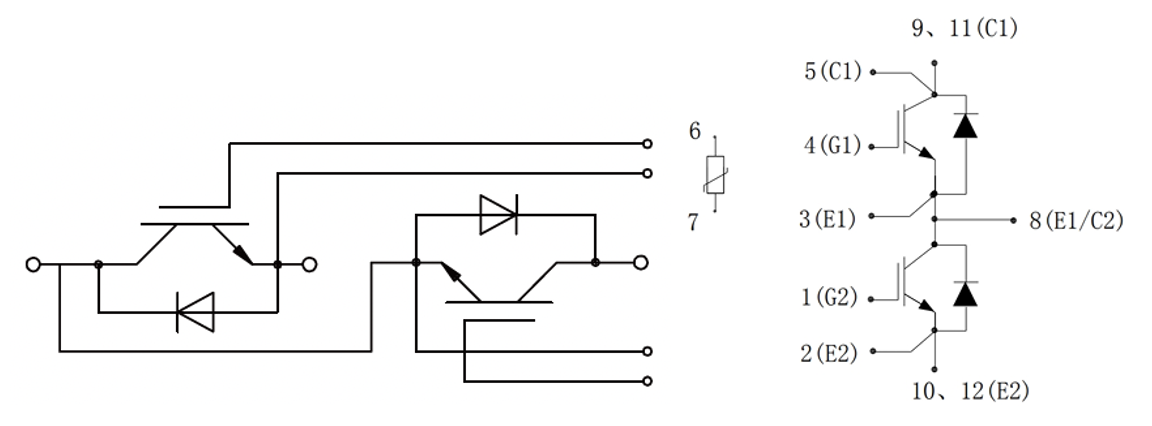
IGBT Modules
TECHSEM Power integrated modules (PIMs) are used in a wide variety of applications where high power and efficiency are required, including motor drives for industrial and automotive uses, renewable energy systems like solar inverters, and power supplies for everything from consumer electronics to data centers. They are also vital for electric vehicles for their traction inverters and on-board chargers, industrial automation, and uninterruptible power supplies (UPS).
- model
- VCES (V)
- Ic (A)
- VCE(sat) (V)
- Product appearance
-
MPS25D12C51200252.15256H5P
-
MPS25D12C51200252.15256H5P2
-
MPS30D12C51200302.15256H5P
-
MPS40D12C51200402.25256H5P
-
MPS40D12C51200402.3256H5P2
-
MPSE10D12C51200102.5258H5P
-
MPSE15D12C51200152.5258H5P
-
MPSE25D12C51200252.25259H5P
-
MPSE35D12C51200352.25259H5P
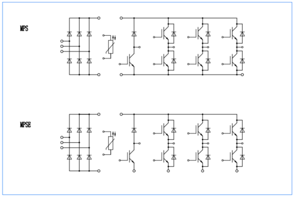
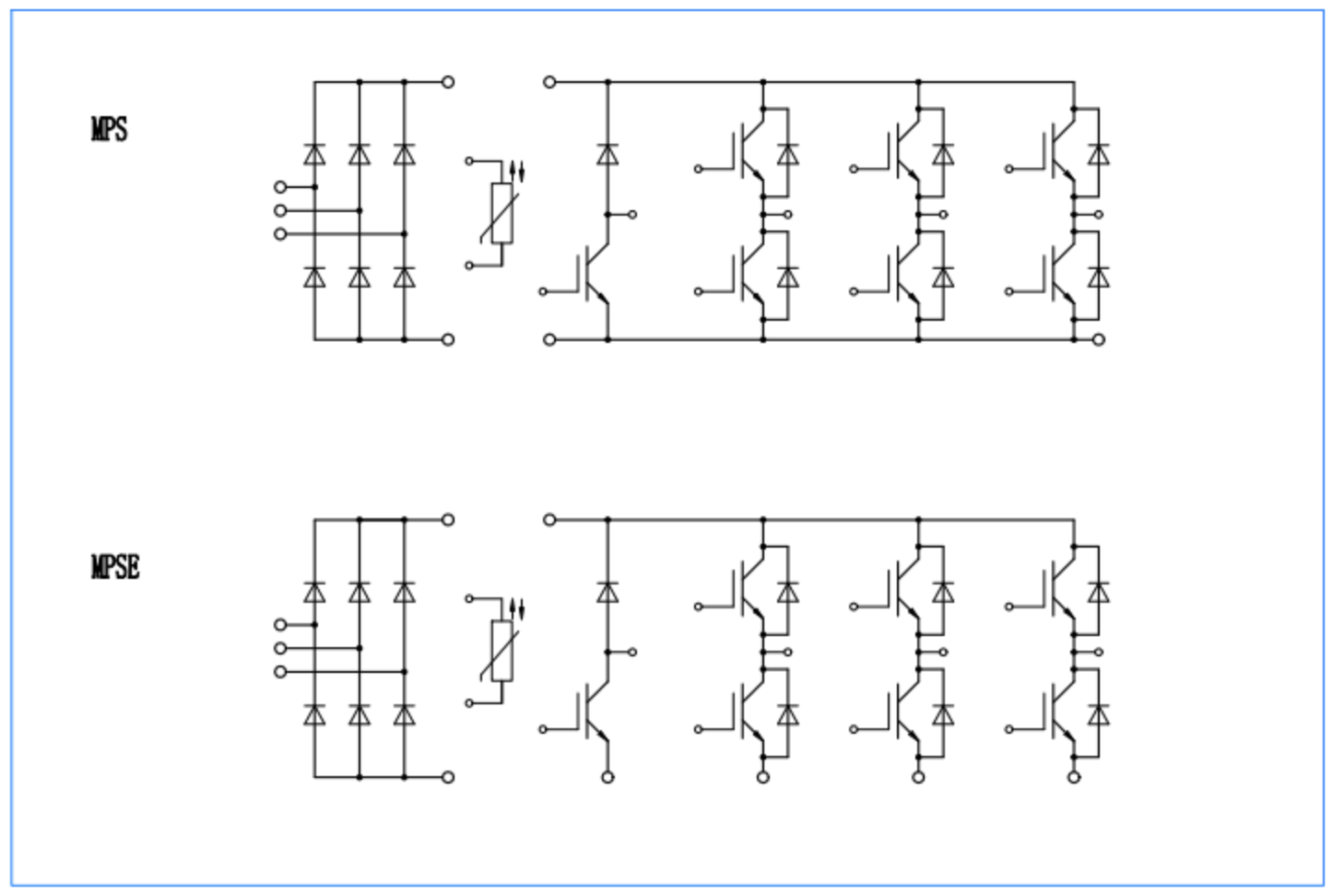
TECHSEM specially developed 1200V welding machine IGBT modules adapt to the frequent switching demands of inverter power supplies. The used 1200V Trench Gate + Field Stop technology (seventh-generation IGBT) improves power conversion efficiency by reducing on-state voltage drop and switching losses. At the same time, a short reverse recovery time reduces energy loss during high-frequency inverter operation.
Produkte werden geladen...
Key benefits of using TECHSEM IGBT modules in VFDs:
- High efficiency thanks to lower conduction and switching losses of TECHSEM IGBT;
- Fast switching allowing for high-frequency operation which helps in reducing the size and weight of the VFD;
- High reliability and durability due to low inductance module structure;
- International standard housing enabling second source possibility.
Produkte werden geladen...
Key benefits of using TECHSEM IGBT modules in high-power induction heating systems:
- High switching frequency up to 50KHz;
- Very low EMI;
- Low VCEsat and low switching losses;
- Better thermal management by using DBC + Cu substrate technology;
- More than 10us short circuit withstand capability.
Produkte werden geladen...
TECHSEM 1700V IGBT modules are widely used in applications such as medium- and high voltage inverters, intermediate frequency induction heating systems, power quality systems, uninterruptible power supplies (UPS), renewable energy systems, energy storage systems and many other applications requiring high voltage and power.
Produkte werden geladen...






















